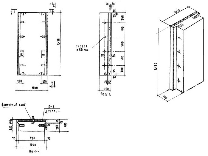
НБ-9.22.4-1
Характеристики изделия:
| Параметр | Значение |
|---|---|
| Длина | 1040 мм |
| Ширина | 400 мм |
| Высота | 2180 мм |
| Масса | 1595 кг |
| Нормативный документ | Серия 1.133-1 |
Цена:
Рассчитать стоимостьСтеновые легкобетонные блоки толщиной 40 см по Серии 1.133-1.
НБ-9.22.4-1 Простеночный блок.