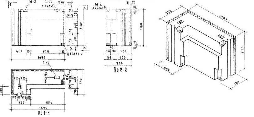
НБПУ-17.12.6
Характеристики изделия:
| Параметр | Значение |
|---|---|
| Длина | 1690 мм |
| Ширина | 790 мм |
| Высота | 1180 мм |
| Масса | 2445 кг |
| Нормативный документ | Серия 1.133-1 |
Цена:
Рассчитать стоимостьСтеновые легкобетонные блоки толщиной 60 см по Серии 1.133-1.
НБПУ-17.12.6 Парапетный блок угловой.