К 6.1-1-1
Характеристики изделия:
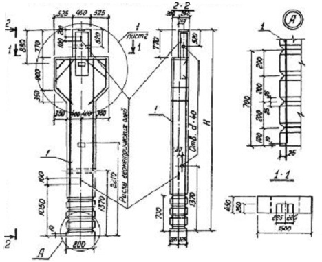
| Параметр | Значение |
|---|---|
| Длина | 6920 мм |
| Ширина | 800 мм |
| Высота | 450 мм |
| Масса | 6500 кг |
| Нормативный документ | Серия 3.702.1-4 |
Цена:
Рассчитать стоимостьК 6.1-1-1 Колонна по Серии 3.702.1-4.
| Параметр | Значение |
|---|---|
| Длина | 6920 мм |
| Ширина | 800 мм |
| Высота | 450 мм |
| Масса | 6500 кг |
| Нормативный документ | Серия 3.702.1-4 |
К 6.1-1-1 Колонна по Серии 3.702.1-4.